ALCORA
تنها راه حل ...
تنها راه حل ...

آلومینا آلفا (α-Al₂O₃) یک فاز کریستالی از اکسید آلومینیوم است که به دلیل سختی بالا و مقاومت حرارتی در صنایع سرامیک، متالورژی و کاتالیستها استفاده میشود.

آلومینا (Al₂O₃) ترکیبی از آلومینیوم و اکسیژن است که در صنایع مختلفی مانند سرامیک، متالورژی و نسوز استفاده میشود. این ماده به دلیل مقاومت بالا در برابر حرارت و سایش از اهمیت ویژهای برخوردار است.

سرامیکها موادی غیرآلی و غیر فلزی هستند که معمولاً در دماهای بالا شکل گرفته و تولید میشوند. این مواد از ترکیبات معدنی مانند خاک رس، سیلیس و آلومینا تشکیل شدهاند و به دلیل خواص فیزیکی و شیمیایی منحصر به فرد خود مانند سختی، مقاومت در برابر حرارت و عایق بودن، کاربردهای گستردهای دارند.

فازهای سرامیکی مبتنی بر آلومینای آلفا و آلومینای راکتیو از جمله مهمترین مواد در صنایع دیرگداز و سرامیک محسوب میشوند. این ترکیبات به دلیل مقاومت حرارتی بالا، استحکام مکانیکی مناسب و پایداری شیمیایی، در محیطهای صنعتی با شرایط شدید حرارتی و خورنده کاربرد گستردهای دارند.

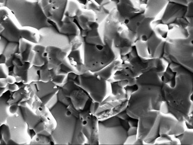
آلومینا تبولار یک شکل ویژه از آلومینا است که دارای چگالی بالا و ساختار دانهای تبولار است. این ماده عمدتاً در صنایع نسوز، سرامیک و متالورژی استفاده میشود.

آلومینا راکتیو نوعی از اکسید آلومینیوم با اندازه ذرات بسیار ریز و سطح فعال بالا است که در صنایع نسوز، سرامیک و کاتالیست مورد استفاده قرار میگیرد.
آلکورا راکتیو

Copyright © 2025 alcora.co - All Rights Reserved.
Powered by GoDaddy
We use cookies to analyze website traffic and optimize your website experience. By accepting our use of cookies, your data will be aggregated with all other user data.
Welcome! Check out my new announcement.